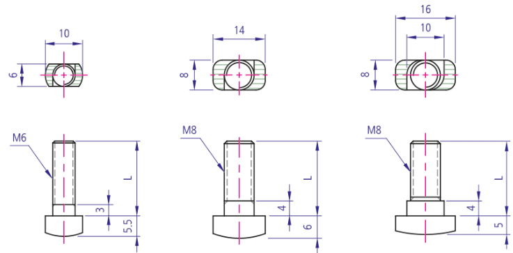
스마일볼트

상품 이미지 새창 보기

프로파일 _ T-볼트 프로파일 _ T-볼트